客户背景:
龙煤矿业集团股份有限公司(简称龙煤股份公司)是经黑龙江省委、省政府批准,在重组鸡西、鹤岗、双鸭山、七台河四个重点煤矿优良资产的基础上引进外来投资者创建的大型煤炭股份公司,是黑龙江龙煤矿业控股集团有限责任公司的控股子公司。
龙煤股份公司经营煤炭生产、煤炭洗选加工及销售、电力生产,煤矿专用铁路运输、煤炭焦化及煤炭深加工,以及煤炭生产销售企业相关物资的采购和内部供应。龙煤股份公司一直坚持安全发展、和谐发展,坚持以煤为主,坚持延伸煤电、煤化工(包括煤焦)、煤建材等产业链。
工作面概况
(1)巷道标高:上巷-394.7米~-434.5米,下巷-434.14米~-485.58米。
(2)邻区情况:上部:90层二水平左六片;下部:90层二水平左八片;左部:90层机、轨道下山;右部:90层左七片开切眼。
(3)地面情况:地面标高185米,井下标高-394.7,垂高579.7米,对地面建筑物没有影响,无需保护。
(4)煤层特征:单一煤层,煤层厚度由上向下逐渐变薄,变化范围在1.30米—1.40米之间。
(5)煤质特征:灰分(%)为26.92%,挥发份为30.86%,煤种为JM,变化规律由外向里逐渐变大。
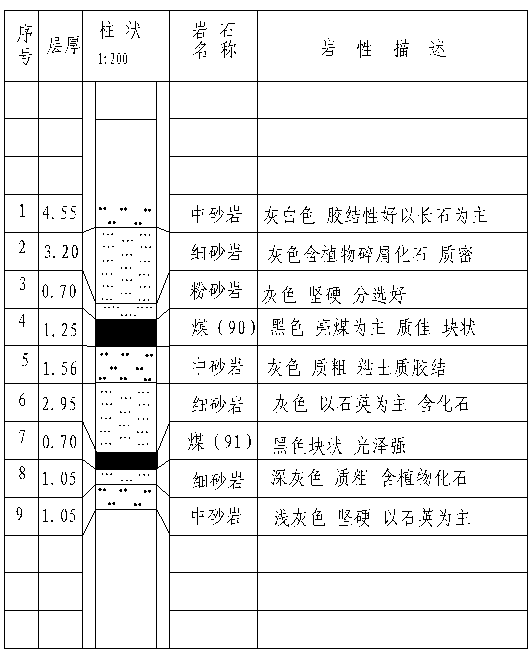
(6)顶底板特征:伪顶为粉砂岩,直接顶为0.70米的细砂岩0.70米,老顶为3.20的米中砂岩,底板为1.56米的中砂岩。
(7)水文情况:工作面最大涌水量预计5m3/h,主要来自裂隙水以及上巷90层左六片采空区水
(8)煤岩层综合柱状图

图1-1煤岩层综合柱状图
龙煤集团为什么选择博安科技水力冲孔设备,技术人员发表了以下看法:
(一)通过对钻、割煤体扰动范围的对比分析,割缝抽采钻孔与普通抽采钻孔相比,直接扰动煤体直径提高9.8倍,直接扰动煤体体积提高94倍以上,孔内割缝措施具有扩大抽采单孔有效影响范围,减少措施孔数目,减轻工程量,提高防治瓦斯灾害工程效率等优点;
(二)通过现场对不同钻孔割缝时的钻进速度、难易程度、钻场瓦斯浓度和喷孔情况的统计考察发现,在进行钻孔内割缝后,单孔的有效卸压影响半径不小于4m,是普通钻孔的抽采有效影响范围的3倍左右,为钻场内的割缝钻孔布置优化提供了依据;
(三)龙煤集团的技术人员和博安科技技术人员通过现场在一定的观测周期内,对比观测水力冲孔设备的割缝抽采孔与普通抽采孔瓦斯流量和浓度,得到如下结论:

1、割缝孔的瓦斯抽采流量高于未割缝孔,并且割缝孔的瓦斯抽采流量先增大然后进行衰减。表明煤体在进行水射流割缝卸压后,煤体渗透性提高,瓦斯更容易抽采;由于水对煤体透气性的影响,以及煤体的流变作用,扩大了卸压影响范围,在割缝考察后会出现抽采量得明显提高;
2、割缝孔对比:割缝孔孔均进行了割缝试验,抽采流量稳定后,割缝过程中出煤量得增加,扩大了煤体扰动范围,卸压增透的效果更加好;
3、割缝孔日总平均浓度是38.5%,未割缝孔日总平均浓度为12.8%,提高了3.01倍。在检测的30天内,水力割缝钻孔的瓦斯浓度一直保持在高浓度情况,而未割缝钻孔只保持了10天左右,10天之后锐减为10%一下。说明水力割缝措施对煤体起到了卸压增透的作用。
4、割缝孔抽采纯流量与普通孔抽采纯流量对比,割缝孔的瓦斯平均抽采纯流量为0.99m3/min、普通孔的瓦斯平均抽采纯流量为0.12m3/min,提高了8.2倍。
苏公网安备 32031102001041号